Search by:

Unit :

Face Cutter >WSX445_INCH >WSX445UR0506EA

Face Cutter

WSX445_INCH
(GENERAL CUTTING)

WSX445UR0506EA EDP:828481

METRIC Products
Shape Series Tooling Sheet Feature Cutting Edge Angle
WSX445
  • Double sided Z Geometry.
  • Smooth chip discharge.
WSX445_MM
  • Double sided Z Geometry.
  • Smooth chip discharge.

Product Information

  • Double sided Z Geometry.
  • Smooth chip discharge.

The actual product may differ from the displayed image.
For details, please check the dimensions below.

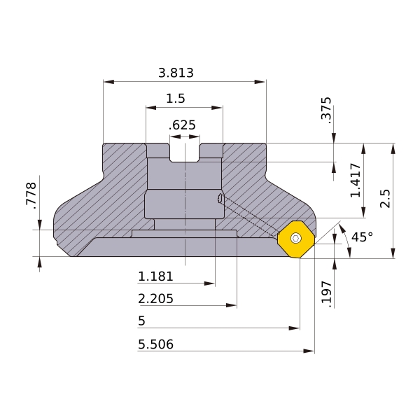
Type   [Outspread ]

Type   [Outspread ]

Diameter (Unit)
Sales unit 1
Hand R
Stock
Unit of Length I
DC 5
DCX 5.506
DCON 1.5
DCSFMS 3.813
DAH 1.181
DCCB 2.205
KAPR 45°
L8 .375
LF 2.5
CBDP 1.417
LCCB .778
KWW .625
APMX .197
GAMP -6°
GAMF -10°
WT 8.5
Peripheral effective cutting edge count: ZEFP 6
2D Model (DXF)
CAD data name Download
WSX445UR0506EA
CAD

3D Detail Model (STP,STL)
CAD data name Download
WSX445UR0506EA
CAD

3D Light Model (STP,STL)
CAD data name RE Download
WSX445UR0506EA_IR0_047
.047 CAD CAD

Stock

:Inventory maintained.
:Non stock, produced to order only.
:Inventory maintained. To be replaced by new products.
:Inventory maintained in Japan.

Return to TOP

This website uses cookies in order to improve your experience and keep your session. By clicking on the 'I understand and accept' button on this page you consent the usage of cookies and accept our Privacy Policy .