Search by:

Unit :

Face Cutter >AHX440S_INCH >AHX440SUR0410EA

Face Cutter

AHX440S_INCH
(GENERAL CUTTING)

AHX440SUR0410EA EDP:10537138

METRIC Products
Shape Series Tooling Sheet Feature Cutting Edge Angle
AHX440S  
  • Heptagonal double-sided insert.
  • Economical 14 corner use.
  • Fine pitch design allows high feed milling.
AHX440S_MM  
  • Heptagonal double-sided insert.
  • Economical 14 corner use.
  • Fine pitch design allows high feed milling.

Product Information

  • Heptagonal double-sided insert.
  • Economical 14 corner use.
  • Fine pitch design allows high feed milling.

The actual product may differ from the displayed image.
For details, please check the dimensions below.

Type   [Outspread ]

Type   [Outspread ]

Diameter (Unit)
Sales unit 1
Hand R
Stock
Unit of Length I
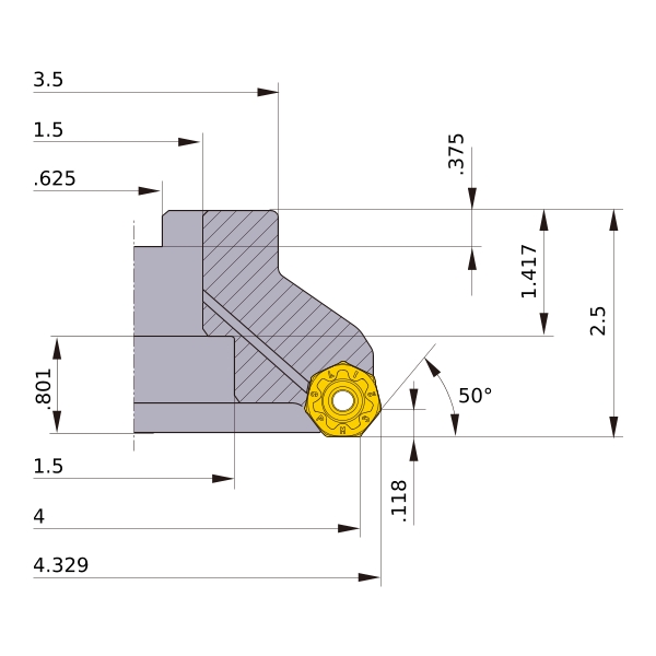
DC 4
DCX 4.329
DCON 1.5
DCSFMS 3.5
DCCB 1.5
KAPR 50°
L8 .375
LF 2.5
CBDP 1.417
LCCB .801
KWW .625
APMX .118
GAMP -6°
GAMF -7°
WT 5
Peripheral effective cutting edge count: ZEFP 10
2D Model (DXF)
CAD data name Download
AHX440SUR0410EA
CAD

3D Detail Model (STP,STL)
CAD data name Download
AHX440SUR0410EA
CAD

3D Light Model (STP,STL)
CAD data name RE Download
AHX440SUR0410EA_IR0_031
.031 CAD CAD
AHX440SUR0410EA_IR0_125
.125 CAD CAD

Stock

:Inventory maintained.
:Non stock, produced to order only.
:Inventory maintained. To be replaced by new products.
:Inventory maintained in Japan.

Return to TOP

This website uses cookies in order to improve your experience and keep your session. By clicking on the 'I understand and accept' button on this page you consent the usage of cookies and accept our Privacy Policy .