Search by:

Unit :

Face Cutter

FMAX_INCH
(HIGH FEED FINISHING)

FMAXUR0310C EDP:10552513

METRIC Products
Shape Series Tooling Sheet Feature Cutting Edge Angle
FMAX  
  • Internal coolant and a special chip breaker wall (Body protector) provides ideal chip discharge performance.
  • Light Weight, High Rigidity Body
  • High precision, Easy setting
FMAX_COMPACT  
  • For Compact and Smaller Machining Centers
  • Internal coolant and a special chip breaker wall (Body protector) provides ideal chip discharge performance.
  • Light Weight, High Rigidity Body
  • High precision, Easy setting
FMAX_MM  
  • Internal coolant and a special chip breaker wall (Body protector) provides ideal chip discharge performance.
  • Light Weight, High Rigidity Body
  • High precision, Easy setting

Product Information

  • Internal coolant and a special chip breaker wall (Body protector) provides ideal chip discharge performance.
  • Light Weight, High Rigidity Body
  • High precision, Easy setting

The actual product may differ from the displayed image.
For details, please check the dimensions below.

Type   [Outspread ]

Type   [Outspread ]

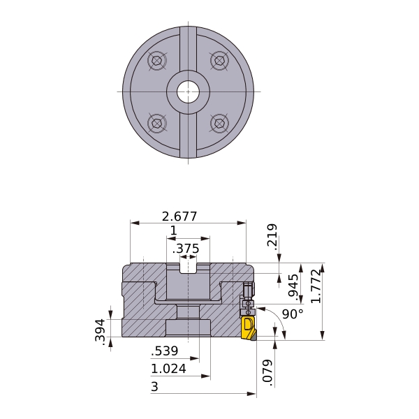
Diameter (Unit)
Sales unit 1
Hand R
Stock
Unit of Length I
DC 3
DCON 1
DCSFMS 2.677
DAH .539
DCCB 1.024
KAPR 90°
L8 .219
LF 1.772
CBDP .945
LCCB .394
KWW .375
APMX .079
GAMP +5°
GAMF
WT 2.2
Peripheral effective cutting edge count: ZEFP 10
RPMX 24500
2D Model (DXF)
CAD data name Download
FMAXUR0310C
CAD

3D Detail Model (STP,STL)
CAD data name Download
FMAXUR0310C
CAD

3D Light Model (STP,STL)
CAD data name RE Download
FMAXUR0310C_IR0_004
.004 CAD
FMAXUR0310C_IR0_016
.016 CAD
FMAXUR0310C_IR0_031
.031 CAD CAD

Stock

:Inventory maintained.
:Non stock, produced to order only.
:Inventory maintained. To be replaced by new products.
:Inventory maintained in Japan.

Return to TOP

This website uses cookies in order to improve your experience and keep your session. By clicking on the 'I understand and accept' button on this page you consent the usage of cookies and accept our Privacy Policy .