Search by:

Unit :

Face Cutter >WJX_INCH >WJX14UR3.0006DA

Face Cutter

WJX_INCH
(Double-sided Insert Type High Feed Radius Milling Cutter)

WJX14UR3.0006DA EDP:10597989

METRIC Products
Shape Series Tooling Sheet Feature Cutting Edge Angle
WJX09  
  • Double sided Z Geometry.
  • Smooth chip discharge.
 
WJX09_MM  
  • Double sided Z Geometry.
  • Smooth chip discharge.
 
WJX14  
  • Double sided Z Geometry.
  • Smooth chip discharge.
 
WJX14_MM  
  • Double sided Z Geometry.
  • Smooth chip discharge.
 

Product Information

  • Double sided Z Geometry.
  • Smooth chip discharge.

The actual product may differ from the displayed image.
For details, please check the dimensions below.

Type   [Outspread ]

Type   [Outspread ]

Diameter (Unit)
Sales unit 1
Hand R
Stock
Unit of Length I
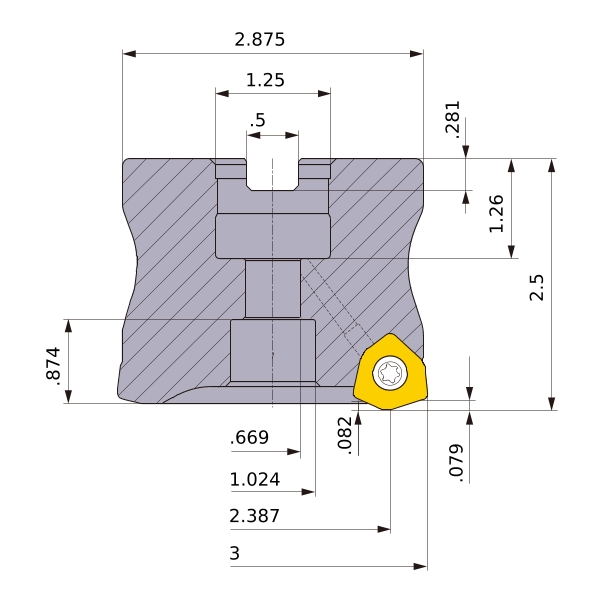
AZ .082
DC 2.387
DCX 3
DCON 1.25
DCSFMS 2.875
DAH .669
DCCB 1.024
RMPX 2.2°
L8 .281
LF 2.5
CBDP 1.26
LCCB .874
KWW .5
APMX .079
GAMP -6°
GAMF -10°
WT 2.7
Peripheral effective cutting edge count: ZEFP 6
RPMX 16100
3D Detail Model (STP,STL)
CAD data name Download
WJX14UR3_0006DA
CAD CAD

3D Light Model (STP,STL)
CAD data name RE Download
WJX14UR3_0006DA_IR0_059
.059 CAD

Stock

:Inventory maintained.
:Non stock, produced to order only.
:Inventory maintained. To be replaced by new products.
:Inventory maintained in Japan.

Return to TOP

This website uses cookies in order to improve your experience and keep your session. By clicking on the 'I understand and accept' button on this page you consent the usage of cookies and accept our Privacy Policy .