Search by:

Unit :

Face Cutter >WJX_INCH >WJX14UR4.0006EA

Face Cutter

WJX_INCH
(Double-sided Insert Type High Feed Radius Milling Cutter)

WJX14UR4.0006EA EDP:10597996

METRIC Products
Shape Series Tooling Sheet Feature Cutting Edge Angle
WJX09  
  • Double sided Z Geometry.
  • Smooth chip discharge.
 
WJX09_MM  
  • Double sided Z Geometry.
  • Smooth chip discharge.
 
WJX14  
  • Double sided Z Geometry.
  • Smooth chip discharge.
 
WJX14_MM  
  • Double sided Z Geometry.
  • Smooth chip discharge.
 

Product Information

  • Double sided Z Geometry.
  • Smooth chip discharge.

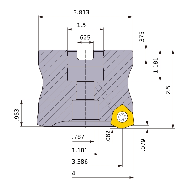
The actual product may differ from the displayed image.
For details, please check the dimensions below.

Type   [Outspread ]

Type   [Outspread ]

Diameter (Unit)
Sales unit 1
Hand R
Stock
Unit of Length I
AZ .082
DC 3.386
DCX 4
DCON 1.5
DCSFMS 3.813
DAH .787
DCCB 1.181
RMPX 1.5°
L8 .375
LF 2.5
CBDP 1.181
LCCB .953
KWW .625
APMX .079
GAMP -6°
GAMF -10°
WT 5.4
Peripheral effective cutting edge count: ZEFP 6
RPMX 13300
3D Detail Model (STP,STL)
CAD data name Download
WJX14UR4_0006EA
CAD CAD

3D Light Model (STP,STL)
CAD data name RE Download
WJX14UR4_0006EA_IR0_059
.059 CAD

Stock

:Inventory maintained.
:Non stock, produced to order only.
:Inventory maintained. To be replaced by new products.
:Inventory maintained in Japan.

Return to TOP

This website uses cookies in order to improve your experience and keep your session. By clicking on the 'I understand and accept' button on this page you consent the usage of cookies and accept our Privacy Policy .