Search by:

Unit :

Face Cutter >WWX400_INCH >WWX400UR2.0003AA

Face Cutter

WWX400_INCH
(Double sided Insert Type Shoulder Mill)

WWX400UR2.0003AA EDP:10614686

METRIC Products
Shape Series Tooling Sheet Feature Cutting Edge Angle
WWX400  
  • Econimical double sided insert with 6 corners.
  • The insert thickness was greatly increased to markedly improve the fracture resistance.
  • High-stability clamping and high-quality machining.
WWX400_MM  
  • Econimical double sided insert with 6 corners.
  • The insert thickness was greatly increased to markedly improve the fracture resistance.
  • High-stability clamping and high-quality machining.
  • The milling cutter with cutting diameter DC = 50 mm has a built-in set bolt.

Product Information

  • Econimical double sided insert with 6 corners.
  • The insert thickness was greatly increased to markedly improve the fracture resistance.
  • High-stability clamping and high-quality machining.

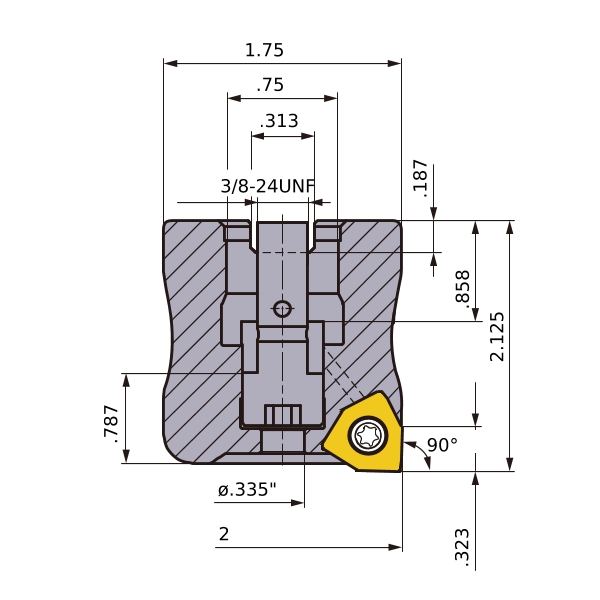
The actual product may differ from the displayed image.
For details, please check the dimensions below.

Type   [Outspread ]

Type   [Outspread ]

Diameter (Unit)
Sales unit 1
Hand R
Stock
Unit of Length I
DC 2
DCON .75
DCSFMS 1.75
KAPR 90°
RMPX 0.4
L8 .187
LF 2.125
CBDP .858
LCCB .787
KWW .313
APMX .323
GAMP -6°
GAMF -12.8°
WT 1.1
Cutting item count: CICT 3
RPMX 5000
2D Model (DXF)
CAD data name Download
WWX400UR2_0003AA
CAD

3D Detail Model (STP,STL)
CAD data name Download
WWX400UR2_0003AA
CAD

3D Light Model (STP,STL)
CAD data name RE Download
WWX400UR2_0003AA_IR0_016
.016 CAD
WWX400UR2_0003AA_IR0_031
.031 CAD

Stock

:Inventory maintained.
:Non stock, produced to order only.
:Inventory maintained. To be replaced by new products.
:Inventory maintained in Japan.

Return to TOP

This website uses cookies in order to improve your experience and keep your session. By clicking on the 'I understand and accept' button on this page you consent the usage of cookies and accept our Privacy Policy .