Search by:

Unit :

Face Cutter >WWX200_INCH >WWX200UR6.0009EA

Face Cutter

WWX200_INCH
(Double sided Insert Type Shoulder Mill)

WWX200UR6.0009EA EDP:22864321

METRIC Products
Shape Series Tooling Sheet Feature Cutting Edge Angle
WWX200  
  • Econimical double sided insert with 6 corners.
  • The insert thickness was greatly increased to markedly improve the fracture resistance.
  • High-stability clamping and high-quality machining.
WWX200_MM  
  • Econimical double sided insert with 6 corners.
  • The insert thickness was greatly increased to markedly improve the fracture resistance.
  • High-stability clamping and high-quality machining.

Product Information

  • Econimical double sided insert with 6 corners.
  • The insert thickness was greatly increased to markedly improve the fracture resistance.
  • High-stability clamping and high-quality machining.

The actual product may differ from the displayed image.
For details, please check the dimensions below.

Type   [Outspread ]

Type   [Outspread ]

Diameter (Unit)
Sales unit 1
Hand R
Stock
Unit of Length I
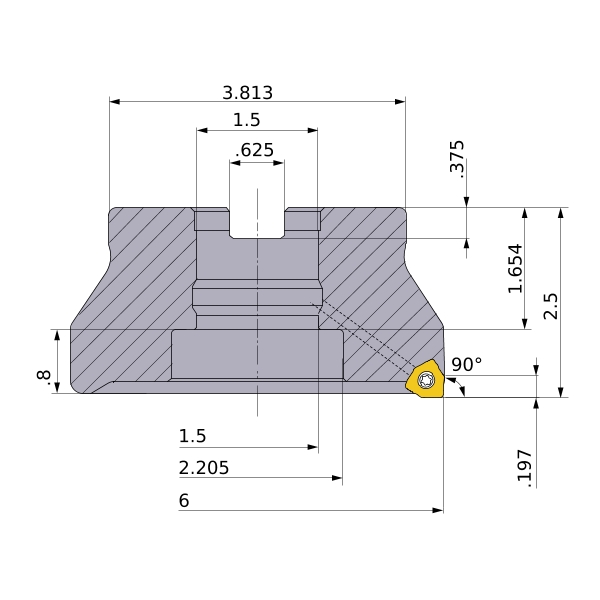
DC 6
DCON 1.5
DCSFMS 3.813
DAH 1.5
DCCB 2.205
KAPR 90°
L8 .375
LF 2.5
CBDP 1.654
LCCB .8
KWW .625
APMX .197
GAMP -6°
GAMF -12°
WT 10
Cutting item count: CICT 9
Peripheral effective cutting edge count: ZEFP 9
RPMX 8600
2D Model (DXF)
CAD data name Download
WWX200UR6_0009EA
CAD

3D Detail Model (STP,STL)
CAD data name Download
WWX200UR6_0009EA
CAD

3D Light Model (STP,STL)
CAD data name RE Download
WWX200UR6_0009EA_IR0_016
.016 CAD
WWX200UR6_0009EA_IR0_031
.031 CAD

Stock

:Inventory maintained.
:Non stock, produced to order only.
:Inventory maintained. To be replaced by new products.
:Inventory maintained in Japan.

Return to TOP

This website uses cookies in order to improve your experience and keep your session. By clicking on the 'I understand and accept' button on this page you consent the usage of cookies and accept our Privacy Policy .