Search by:

Unit :

Grooving GY Series

GYA_D90_INCH
(90° type holder)

6H2R9G1

Product Information

  • Highly reliable insert clamping
  • High accuracy, long life inserts for a wide variety of machining applications
  • Innovative Tri Lock System
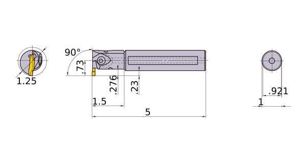
  • Dimensions shown are when the gauge insert is used.

The actual product may differ from the displayed image.
For details, please check the dimensions below.

Type   [Outspread ]

Type   [Outspread ]

Diameter (Unit)
Hand R
Stock
Unit of Length I
DMIN 1.25
DCON 1
LF 5
CDX .276
LDRED 1.5
WF .73
H .921
HF .921
CW .157
WF2 .23
Peripheral effective cutting edge count: ZEFP 1
Modular Holder GYARUS16K90B-G07
2D Model (DXF)
CAD data name Download
6H2R9G1
CAD

3D Detail Model (STP,STL)
CAD data name Download
6H2R9G1
CAD

Stock

:Inventory maintained.
:Non stock, produced to order only.
:Inventory maintained. To be replaced by new products.
:Inventory maintained in Japan.

Return to TOP

This website uses cookies in order to improve your experience and keep your session. By clicking on the 'I understand and accept' button on this page you consent the usage of cookies and accept our Privacy Policy .