Search by:

Unit :

Solid End Mills >iMX_C4HV >IMX16C4HV160R20016

Solid End Mills

iMX_C4HV
(Corner radius head, 4 flute, Irregular helix)

IMX16C4HV160R20016 EDP:675446

Product Information

  • Vibration control corner radius type achieves stable machining of difficult-to-cut materials and is suitable for long overhang applications due to the irregular helix.
  • The fastening size of the holder and head should be the same.

The actual product may differ from the displayed image.
For details, please check the dimensions below.

Type   [Outspread ]

Type   [Outspread ]

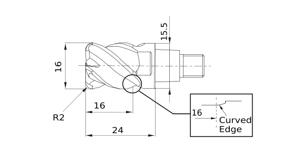
Diameter (Unit)
Name of Grade Carbide
Grade EP7020
Sales unit 1
Stock
Unit of Length M
DC 16
DCON 15.5
LH 24
APMX 16
FHA 42°,45°
RE 2
Peripheral effective cutting edge count: ZEFP 4
R Tolerance - -0.02
R Tolerance + 0.02
Max. Cutting EdgeDiameter Tolerance 0
Min. Cutting EdgeDiameter Tolerance -0.03
2D Model (DXF)
CAD data name Download
IMX16C4HV160R20016
CAD

3D Light Model (STP,STL)
CAD data name Download
IMX16C4HV160R20016
CAD CAD

Stock

:Inventory maintained.
:Non stock, produced to order only.
:Inventory maintained. To be replaced by new products.
:Inventory maintained in Japan.

Return to TOP

This website uses cookies in order to improve your experience and keep your session. By clicking on the 'I understand and accept' button on this page you consent the usage of cookies and accept our Privacy Policy .