Search by:

Unit :

Solid End Mills >iMX_C4HV_INCH >IMX10C4HV0375R060M

Solid End Mills

iMX_C4HV_INCH
(Corner radius head, 4 flute, Irregular helix)

IMX10C4HV0375R060M EDP:682654

METRIC Products
Shape Series Geometry Cutter Body Type Feature Structure
iMX_B2S Ball Nose Type
  • Ideal for machining with long overhangs.
Head Exchangeable
iMX_B3FV Ball Nose Type
  • High efficiency machining is possible in deep engraving processing(DCx5)
Head Exchangeable
iMX_B4HV Ball Nose Type
  • Irregular curve cutting edge controls vibration and achieves stable machining of difficult-to-cut materials and is suitable for long overhang applications.
Head Exchangeable
iMX_B4HV_E Ball Nose Type
  • Coolant thru design allows for effective chip evacuation.
  • Irregular curve cutting edge controls vibration and achieves stable machining of difficult-to-cut materials and is suitable for long overhang applications.
Head Exchangeable
iMX_B4S Ball Nose Type
  • Ideal for machining with long overhangs.
Head Exchangeable
iMX_B4WH_S Ball Nose Type
  • Optimal choice for machining undercut and complex shapes when using a 5-axis machine.
  • Coolant thru design allows for effective chip evacuation.
Head Exchangeable
iMX_B6HV Ball Nose Type
  • Irregular curve cutting edge controls vibration and achieves stable machining of difficult-to-cut materials and is suitable for long overhang applications.
  • 6 flutes enables high machining efficiency.
Head Exchangeable
iMX_C10HV Radius Type
  • High machining efficiency due to multi-flute design.
  • Irregular helix controls vibration and achieves stable machining.
Head Exchangeable
iMX_C10T_C Radius Type
  • Suitable for 3-dimensional free-form surface cutting such as blades.
  • High feed cutting is possible due to multiple cutting edges.
Head Exchangeable
iMX_C12HV Radius Type
  • High machining efficiency due to multi-flute design.
  • Irregular helix controls vibration and achieves stable machining.
Head Exchangeable
iMX_C12T_C Radius Type
  • Suitable for 3-dimensional free-form surface cutting such as blades.
  • High feed cutting is possible due to multiple cutting edges.
Head Exchangeable
iMX_C15T_C Radius Type
  • Suitable for 3-dimensional free-form surface cutting such as blades.
  • High feed cutting is possible due to multiple cutting edges.
Head Exchangeable
iMX_C3A Radius Type
  • High efficiency machining is possible due to polished rake face and sharp cutting edge.
Head Exchangeable
iMX_C4FD_C Radius Type
  • The duplex corner radius and 4 flute geometry enables efficient machining at higher feed rates.
  • End face center coolant hole provides a stable supply of coolant.
  • Duplex corner radius end mill is not suitable for corner radius machining due to the possibility of leaving unmachined areas.
Head Exchangeable
iMX_C4FV Radius Type
  • Corner radius end mill for high efficiency machining.
  • Irregular helix controls vibration and achieves stable machining.
Head Exchangeable
iMX_C4HV Radius Type
  • Vibration control corner radius type achieves stable machining of difficult-to-cut materials and is suitable for long overhang applications due to the irregular helix.
  • The fastening size of the holder and head should be the same.
Head Exchangeable
iMX_C4HV_S Radius Type
  • Coolant thru design allows for effective chip evacuation.
  • Vibration control corner radius type achieves stable machining of difficult-to-cut materials and is suitable for long overhang applications due to the irregular helix.
Head Exchangeable
iMX_C6HV Radius Type
  • High machining efficiency due to multi-flute design.
  • Irregular helix controls vibration and achieves stable machining.
Head Exchangeable
iMX_C6HV_C Radius Type
  • Chatter and vibration are suppressed and stable machining is enabled by using irregular helix flutes.
  • Equipped with centre through coolant hole to improve chip evacuation.
Head Exchangeable
iMX_C8T_C Radius Type
  • Suitable for 3-dimensional free-form surface cutting such as blades.
  • High feed cutting is possible due to multiple cutting edges.
Head Exchangeable
iMX_CH3L Taper Type
  • Chamfered cutting head suitable for inner circumference.
  • Anti-vibration proprietary design.
Head Exchangeable
iMX_CH6V Taper Type
  • Suitable for outer circumference.
  • Multiple cutting design for extended tool life.
Head Exchangeable
iMX_R4F Square (Center Cut)
  • The roughing edge geometry reduces cutting resistance. Effective when rigidity of the machine or work piece is low.
Head Exchangeable
iMX_RC4F_C Radius Type
  • The roughing edge geometry reduces cutting resistance. Effective when rigidity of the machine or work piece is low.
  • Centre through coolant hole provides excellent chip evacuation.
Head Exchangeable
iMX_S3A Square (Center Cut)
  • High efficiency machining is possible due to polished rake face and sharp cutting edge.
Head Exchangeable
iMX_S3HV Square (Center Cut)
  • 3-flute end mills suitable for side milling, slotting and plunging.
  • Irregular helix controls vibration and achieves stable machining.
Head Exchangeable
iMX_S4HV Square (Center Cut)
  • Irregular helix controls vibration and achieves stable machining even when machining of difficult-to-cut materials and for applications with a long overhang.
Head Exchangeable
iMX_S4HV_S Square (Center Cut)
  • Coolant thru design allows for effective chip evacuation.
  • Irregular helix controls vibration and achieves stable machining.
Head Exchangeable

Product Information

  • Vibration control corner radius type achieves stable machining of difficult-to-cut materials and is suitable for long overhang applications due to the irregular helix.
  • The fastening size of the holder and head should be the same.

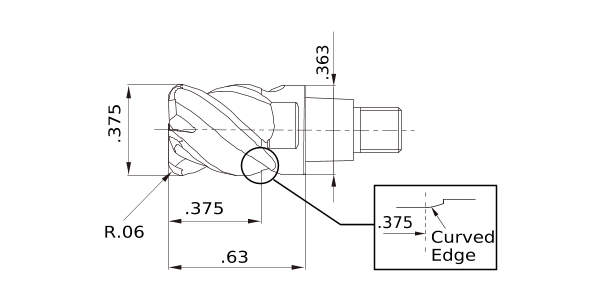
The actual product may differ from the displayed image.
For details, please check the dimensions below.

Type   [Outspread ]

Type   [Outspread ]

Diameter (Unit)
Name of Grade Carbide
Grade EP7020
Sales unit 1
Stock
Unit of Length I
DC .375
DCON .363
LH .63
APMX .375
FHA 42°,45°
RE .06
Peripheral effective cutting edge count: ZEFP 4
R Tolerance - -.0008
R Tolerance + .0008
Max. Cutting EdgeDiameter Tolerance 0
Min. Cutting EdgeDiameter Tolerance -.0008
2D Model (DXF)
CAD data name Download
IMX10C4HV0375R060M
CAD

3D Light Model (STP,STL)
CAD data name Download
IMX10C4HV0375R060M
CAD CAD

Stock

:Inventory maintained.
:Non stock, produced to order only.
:Inventory maintained. To be replaced by new products.
:Inventory maintained in Japan.

Return to TOP

This website uses cookies in order to improve your experience and keep your session. By clicking on the 'I understand and accept' button on this page you consent the usage of cookies and accept our Privacy Policy .