Search by:

Unit :

Spare Parts >GYAL20K90A-D06

Spare Parts

GYAL20K90A-D06 EDP:503222

Product Information

The actual product may differ from the displayed image.
For details, please check the dimensions below.

Type   [Outspread ]

Type   [Outspread ]

Diameter (Unit)
Sales unit 1
Hand L
Stock
Unit of Length I
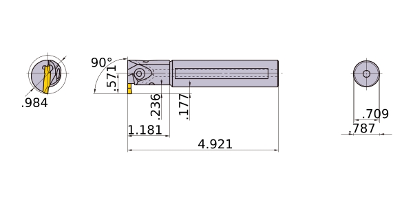
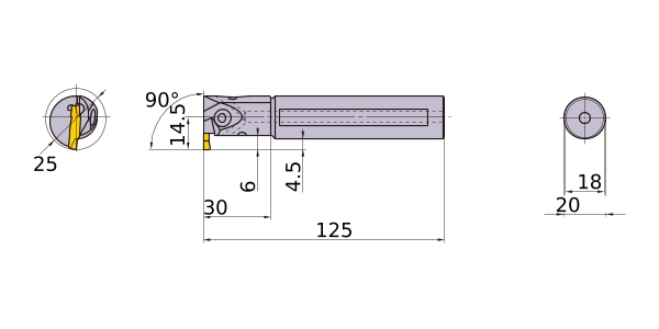
DMIN .984
DCON .787
LF 4.921
CDX .236
LDRED 1.181
WF .571
H .709
CW .079
WF2 .177
2D Model (DXF)
CAD data name Download
GYAL20K90A-D06
CAD

3D Detail Model (STP,STL)
CAD data name Download
GYAL20K90A-D06
CAD

Stock

:Inventory maintained.
:Non stock, produced to order only.
:Inventory maintained. To be replaced by new products.
:Inventory maintained in Japan.

Return to TOP

This website uses cookies in order to improve your experience and keep your session. By clicking on the 'I understand and accept' button on this page you consent the usage of cookies and accept our Privacy Policy .