Search by:

Unit :

Spare Parts >GYAL25K90B-F06

Spare Parts

GYAL25K90B-F06 EDP:503425

Product Information

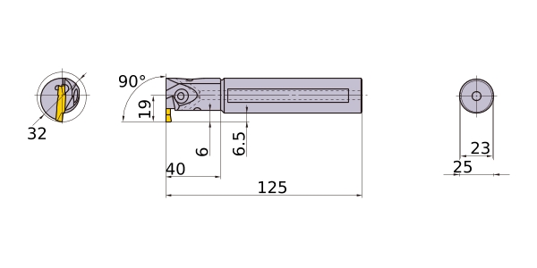
The actual product may differ from the displayed image.
For details, please check the dimensions below.

Type   [Outspread ]

Type   [Outspread ]

Diameter (Unit)
Sales unit 1
Hand L
Stock
Unit of Length I
DMIN 1.26
DCON .984
LF 4.921
CDX .236
LDRED 1.575
WF .748
H .906
CW .118
WF2 .256
2D Model (DXF)
CAD data name Download
GYAL25K90B-F06
CAD

3D Detail Model (STP,STL)
CAD data name Download
GYAL25K90B-F06
CAD

Stock

:Inventory maintained.
:Non stock, produced to order only.
:Inventory maintained. To be replaced by new products.
:Inventory maintained in Japan.

Return to TOP

This website uses cookies in order to improve your experience and keep your session. By clicking on the 'I understand and accept' button on this page you consent the usage of cookies and accept our Privacy Policy .