Search by:

Unit :

Turning Insert >MLG1012L

Turning Insert

MLG1012L EDP:116287

Product Information

The actual product may differ from the displayed image.
For details, please check the dimensions below.

Type   [Outspread ]

Type   [Outspread ]

Diameter (Unit)
Name of Grade Carbide
Grade UTi20T
ANSI MLG1012L
Sales unit 10
Hand L
Stock
Unit of Length I
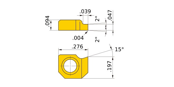
GAN 15°
RAL
RAR
CDX .039
L .276
W1 .197
CW .047
S .094
BCH .004
Tolerance CW:±.001
2D Model (DXF)
CAD data name Download
MLG1012L
CAD

3D Detail Model (STP,STL)
CAD data name Download
MLG1012L
CAD

Stock

:Inventory maintained.
:Non stock, produced to order only.
:Inventory maintained. To be replaced by new products.
:Inventory maintained in Japan.

Return to TOP

This website uses cookies in order to improve your experience and keep your session. By clicking on the 'I understand and accept' button on this page you consent the usage of cookies and accept our Privacy Policy .