Search by:

Unit :

Turning Insert >SBAT3080V5L

Turning Insert

SBAT3080V5L EDP:269851

Product Information

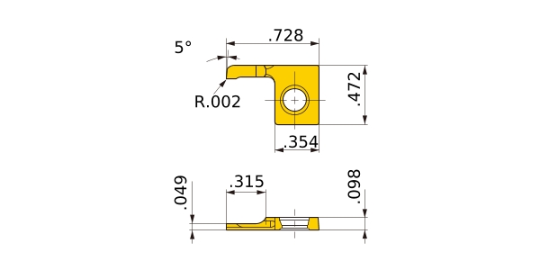
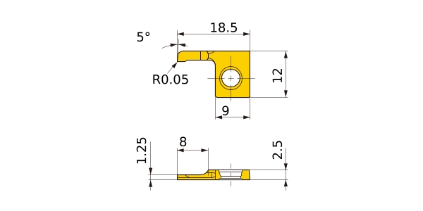
The actual product may differ from the displayed image.
For details, please check the dimensions below.

Type   [Outspread ]

Type   [Outspread ]

Diameter (Unit)
Name of Grade Carbide
Grade VP15KZ
ANSI SBAT3080V5L
Sales unit 5
Hand L
Stock
Unit of Length I
DMIN .118
B9 95°
PSIRL
CDX .315
L .728
W1 .472
CW .049
S10 .354
S .098
RER .002

Stock

:Inventory maintained.
:Non stock, produced to order only.
:Inventory maintained. To be replaced by new products.
:Inventory maintained in Japan.

Return to TOP

This website uses cookies in order to improve your experience and keep your session. By clicking on the 'I understand and accept' button on this page you consent the usage of cookies and accept our Privacy Policy .