Search by:

Unit :

Fresa frontal

AHX640W_INCH
(CORTE DE ALTO AVANCE PARA FUNDICIÓN.)

AHX640WL0308D EDP:504479

 
Forma Serie Ficha de herramientas Característica Ángulo de posición
AHX640W
  • Placa heptagonal de doble cara
  • Placa de 14 lados.
  • El diseño de paso fino permite el fresado de alto avance.
AHX640W_MM
  • Placa heptagonal de doble cara
  • Placa de 14 lados.
  • El diseño de paso fino permite el fresado de alto avance.

Información sobre productos

  • Placa de 14 lados.
  • El diseño de paso fino permite el fresado de alto avance.
  • Placa heptagonal de doble cara

The actual product may differ from the displayed image.
For details, please check the dimensions below.

Tipo   [Extendido ]

Tipo   [Extendido ]

Diámetro (Unit)
N.º de unidades de pedido 1
Mano L
Existencia
Unidad de longitud I
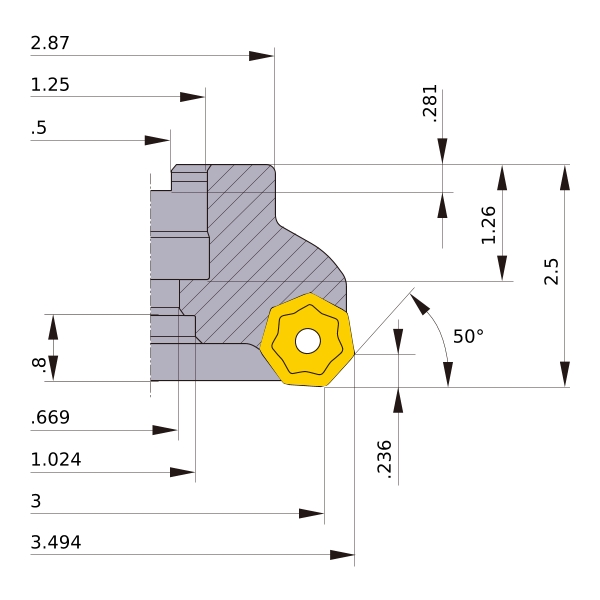
DC 3
DCX 3.494
DCON 1.25
DCSFMS 2.87
DAH .669
DCCB 1.024
KAPR 50°
L8 .281
LF 2.5
CBDP 1.26
LCCB .8
KWW .5
APMX .236
GAMP -6°
GAMF -4°
WT 4.2
Peripheral effective cutting edge count: ZEFP 8
Modelo 2D (DXF)
Nombre datos CAD Descargar
AHX640WL0308D
CAD

Modelo Detallado 3D (STP,STL)
Nombre datos CAD Descargar
AHX640WL0308D
CAD

Modelo Ligth 3D (STP,STL)
Nombre datos CAD RE Descargar
AHX640WL0308D_IR0_031
.031 CAD CAD

Existencia

:Existencia en Europa
:A fabricar según demanda
:Existencia en Europa Será reemplazado por nuevos productos.
:Existencia en Japón

Volver al principio

Nuestro sitio web cumple con la normativa GDPR de la UE y utiliza cookies técnicas y funcionales para mejorar su experiencia y guardar su sesión. Al hacer clic en el botón "Aceptar", usted acepta el uso de cookies y nuestra politica de privacidad datos .