Search by:

Unit :

Fresa frontal

AHX640W_INCH
(CORTE DE ALTO AVANCE PARA FUNDICIÓN.)

AHX640WL0410E EDP:505068

 
Forma Serie Ficha de herramientas Característica Ángulo de posición
AHX640W
  • Placa heptagonal de doble cara
  • Placa de 14 lados.
  • El diseño de paso fino permite el fresado de alto avance.
AHX640W_MM
  • Placa heptagonal de doble cara
  • Placa de 14 lados.
  • El diseño de paso fino permite el fresado de alto avance.

Información sobre productos

  • Placa de 14 lados.
  • El diseño de paso fino permite el fresado de alto avance.
  • Placa heptagonal de doble cara

The actual product may differ from the displayed image.
For details, please check the dimensions below.

Tipo   [Extendido ]

Tipo   [Extendido ]

Diámetro (Unit)
N.º de unidades de pedido 1
Mano L
Existencia
Unidad de longitud I
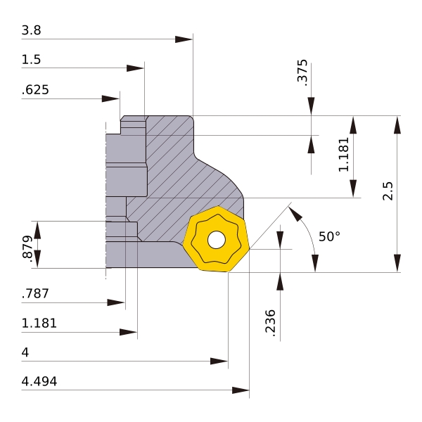
DC 4
DCX 4.494
DCON 1.5
DCSFMS 3.8
DAH .787
DCCB 1.181
KAPR 50°
L8 .375
LF 2.5
CBDP 1.181
LCCB .879
KWW .625
APMX .236
GAMP -6°
GAMF -4°
WT 7.3
Peripheral effective cutting edge count: ZEFP 10
Modelo 2D (DXF)
Nombre datos CAD Descargar
AHX640WL0410E
CAD

Modelo Detallado 3D (STP,STL)
Nombre datos CAD Descargar
AHX640WL0410E
CAD

Modelo Ligth 3D (STP,STL)
Nombre datos CAD RE Descargar
AHX640WL0410E_IR0_031
.031 CAD CAD

Existencia

:Existencia en Europa
:A fabricar según demanda
:Existencia en Europa Será reemplazado por nuevos productos.
:Existencia en Japón

Volver al principio

Nuestro sitio web cumple con la normativa GDPR de la UE y utiliza cookies técnicas y funcionales para mejorar su experiencia y guardar su sesión. Al hacer clic en el botón "Aceptar", usted acepta el uso de cookies y nuestra politica de privacidad datos .