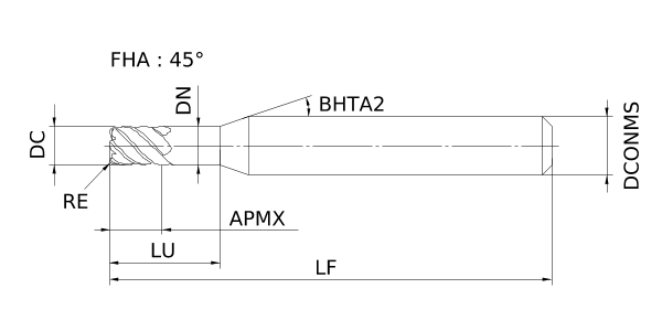
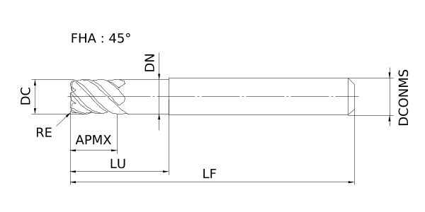
Solid End Mills > VFRSDRB
VFRSDRB
(Conner radius, Short cut length, 6 flute, For hardened materials)

The actual product may differ from the displayed image.
For details, please check the dimensions below.
|
|
Stock
:Inventory maintained in Japan.
:Non stock, produced to order only.
:Inventory maintained in Japan. To be replaced by new products.
:-
Recommended Cutting Condition