Solid End Mills >VFRSDRB >VFRSDRBD1000R100

Solid End Mills

VFRSDRB
(Conner radius, Short cut length, 6 flute, For hardened materials)

VFRSDRBD1000R100

Product Information

  • A sharp cutting edge and improved chipping resistance enable highly efficient machining.

The actual product may differ from the displayed image.
For details, please check the dimensions below.

Type   [Expand ]

Type   [Expand ]

Diameter (Unit)
Stock
Unit of Length M
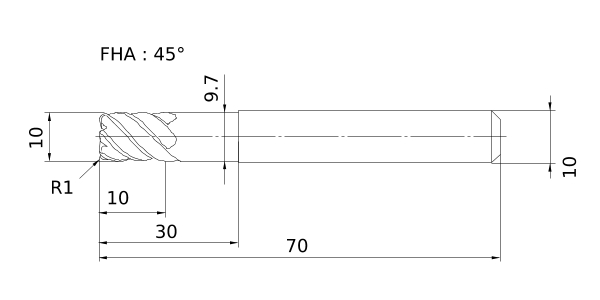
DC 10
DCONMS 10
DN 9.7
LF 70
LU 30
APMX 10
FHA 45°
RE 1
Peripheral effective cutting edge count: ZEFP 6
Max. Cutting EdgeDiameter Tolerance 0
Min. Cutting EdgeDiameter Tolerance -0.02
Coated VFR

Stock

:Inventory maintained in Japan.
:Non stock, produced to order only.
:Inventory maintained in Japan. To be replaced by new products.
:-

Return to TOP

This website uses cookies in order to improve your experience and keep your session. By clicking on the 'I understand and accept' button on this page you consent the usage of cookies and accept our Privacy Policy .