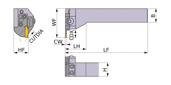
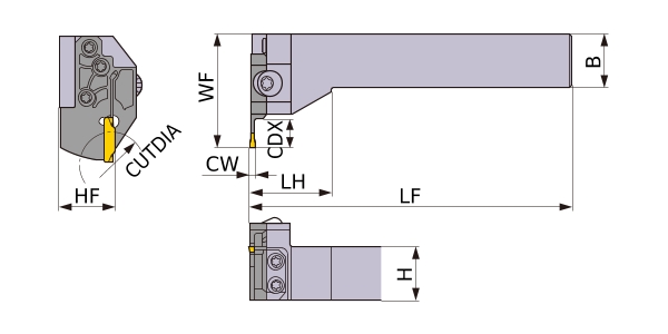
Ranurado Serie GY > GYH90A_B_INCH
GYH90A_B_INCH
(Herramienta tipo 90º)


The actual product may differ from the displayed image.
For details, please check the dimensions below.
|
|
Existencia
:Existencia en Europa
:A fabricar según demanda
:Existencia en Europa Será reemplazado por nuevos productos.
:Existencia en Japón
NOVEDADES SOBRE HERRAMIENTAS