Search by:

Unit :

Ranurado Serie GY

GYH90A_B_INCH
(Herramienta tipo 90º)

2H1R4D1

Información sobre productos

  • Larga vida de la placa y gran precisión para una amplia variedad de aplicaciones de mecanizado
  • Fijación de placas muy fiable
  • Innovador sistema Tri Lock
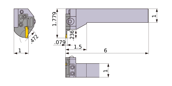
  • Estas dimensiones se dan cuando se utiliza una placa de calibrado.

The actual product may differ from the displayed image.
For details, please check the dimensions below.

Tipo   [Extendido ]

Tipo   [Extendido ]

Diámetro (Unit)
Mano R
Existencia
Unidad de longitud I
CUTDIA .472
B 1
LF 6
LH 1.5
CDX .236
WF 1.779
H 1
HF 1
CW .079
Peripheral effective cutting edge count: ZEFP 1
Portaherramientas modular GYHRUS16D90-M25L
Lama modular GYM25LA-D06
Modelo 2D (DXF)
Nombre datos CAD Descargar
2H1R4D1
CAD

Modelo Detallado 3D (STP,STL)
Nombre datos CAD Descargar
2H1R4D1
CAD

Existencia

:Existencia en Europa
:A fabricar según demanda
:Existencia en Europa Será reemplazado por nuevos productos.
:Existencia en Japón

Volver al principio

Nuestro sitio web cumple con la normativa GDPR de la UE y utiliza cookies técnicas y funcionales para mejorar su experiencia y guardar su sesión. Al hacer clic en el botón "Aceptar", usted acepta el uso de cookies y nuestra politica de privacidad datos .